JIS - 10K/16K/20K
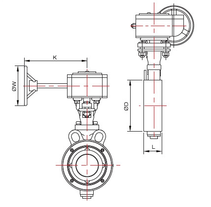
FIG.095B/895B/995B(齒輪式)偏心蝶閥
ECCENTRIC BUTTERFLY VALVE
Wafer type body, Renewable seat, Eccentric driver disc.
| 零件 PART | 材質 MATERIAL095 | 材質 MATERIAL895 | 材質 MATERIAL995 |
|---|---|---|---|
| 閥體 BODY | Cast Iron | Ductile Iron | Stainless Steel |
| 閥桿 STEM | Stainless Steel | Stainless Steel | Stainless Steel |
| 檔流盤 DISC | Stainless Steel | Stainless Steel | Stainless Steel |
| 格蘭 GLAND | Ductile Iron | Ductile Iron | Stainless Steel |
| 固定環 SET RING | Ductile Iron | Ductile Iron | Stainless Steel |
| 檔流墊圈 SEAT | EPDM/PTFE | EPDM/PTFE | PTFE(Option:RPTFE) |
| 迫緊 PACKING | PTFE | PTFE | PTFE |
| 底蓋 END CAP | Ductile Iron | Ductile Iron | Stainless Steel |
| 軸襯 BUSH | Stainless Steel+PTFE | Stainless Steel+PTFE | Stainless Steel+PTFE |
| 把手 HANDLE | Steel | Steel | Stainless Steel |
| 齒輪箱 GEAR | Cast Iron | Cast Iron | Aluminum (2"~12") Cast Iron (14"~26") |
| 最高使用壓力 MAX.WORKING PRESSURE |
|||
|---|---|---|---|
| 095 | 895 | 995 | |
| 10kg f/cm2 | 16kg f/cm2 | 20kg f/cm2 | |
| 試驗壓力(水壓) HYD. TEST |
|||
| 閥 體 | 15kg f/cm2 | 24kg f/cm2 | 30kg f/cm2 |
| 閥 座 | 11kg f/cm2 | 17.6kg f/cm2 | 22kg f/cm2 |
1.閥體材質為鑄鐵,型號為095。
2.閥體材質為延性鑄鐵,型號為895。
3.閥體材質為不銹鋼,型號為995(可承製禁油品)。
4.型號995產品均實施固溶化熱處理CNS4000 G3092。
| 尺寸 | 2" | 21/2" | 3" | 4" | 5" | 6" | 8" | 10" | 12" | 14" | 16" | 18" | 20" | 22" | 24" | 26" |
| L | 43 | 46 | 46 | 52 | 56 | 56 | 62 | 68 | 78 | 92 | 102 | 114 | 127 | 154 | 154 | 165 |
| øD | 100 | 120 | 130 | 154 | 185 | 215 | 265 | 322 | 367 | 418 | 480 | 535 | 588 | 643 | 690 | 740 |
| X | 198 | 198 | 245 | 245 | 245 | 245 | - | - | - | - | - | - | - | - | - | - |
| K | 153 | 153 | 153 | 153 | 153 | 237 | 212 | 212 | 212 | 226 | 226 | 355 | 350 | 350 | 350 | 385 |
| øW | 134 | 134 | 134 | 134 | 134 | 215 | 215 | 280 | 280 | 300 | 300 | 400 | 400 | 400 | 400 | 500 |
評論列表